sokatu Postat Octombrie 20, 2010 Partajează Postat Octombrie 20, 2010 salutare, Cine stie ce tip de mufa e la Nissan ? se gasesc adaptoare de la ele la OB2? Ce device-uri mai trebuiesc pentru a putea face diagnoza? Are cineva vreo schema a cablului? E pentru uz propriu nu service sau altceva. Astept pareri si sfaturi. Hai cu Vara . Link spre comentariu Distribuie pe alte site-uri Alte opțiuni partajare...
sierrafery Postat Octombrie 20, 2010 Partajează Postat Octombrie 20, 2010 (editat) Re: NISSAN PATROL GR 2.8 TD 1998 3 USI ( Mufa diagnoza) salutare, Cine stie ce tip de mufa e la Nissan ? se gasesc adaptoare de la ele la OB2? Ce device-uri mai trebuiesc pentru a putea face diagnoza? Are cineva vreo schema a cablului? E pentru uz propriu nu service sau altceva. Astept pareri si sfaturi. Hai cu Vara . Nu cred ca e "OBD2 compliant" ...... ca device poti folosi o bucata de sarma ca la tipul asta se poate face diagnoza prin metoda "flash" : 1. pornesti motorul, 2. faci o punte intre pin-urile din schema, 3. astepti 2 secunde, 4. scoti puntea si urmaresti martorul MIL care o sa flasheze.....flashurile lungi sunt numarul zecilor si cele scurte unitatile(ex. 2 lungi 3 scurte = cod 23 > throttle position switch malfunction) http://img256.imageshack.us/img256/6954/dlcpatrol.png Ca sa stergi codul faci din nou puntea, astepti doua secunde , scoti puntea si opresi motorul operatiunea cu cititul si stersul o repeti pana nu mai ai coduri ramase. Astea sunt codurile care pot aparea: Flash type / Fault location - Probable cause 11 Camshaft position (CMP) sensor - signal Wiring, CMP sensor 12 Mass air flow (MAF) sensor - circuit malfunction Wiring, MAF sensor 13 Engine coolant temperature (ECT) sensor - circuit malfunction Wiring, ECT sensor 14 Vehicle speed sensor (VSS) - circuit malfunction Wiring, VSS 15 Fuel injection pump position sensor - circuit malfunction Wiring, fuel injection pump position sensor 17 Fuel quantity adjuster - circuit malfunction Wiring, fuel quantity adjuster 18 Fuel quantity adjustment control - circuit malfunction Wiring, fuel quantity adjuster, fuel injection pump, ECM 22 Fuel quantity adjustment control - circuit malfunction Wiring, fuel quantity adjuster, fuel injection pump, ECM 25 Fuel quantity adjustment control - circuit malfunction Wiring, fuel quantity adjuster, fuel injection pump, ECM 23 Throttle position (TP) switch - circuit malfunction Wiring, TP switch 27 Engine control module (ECM) - circuit malfunction ECM 28 Engine over temperature condition Wiring, cooling system, engine coolant temperature (ECT) sensor 33 Intake air temperature (IAT) sensor - circuit malfunction Wiring, IAT sensor 34 Fuel delivery/needle lift signal - circuit malfunction Wiring, injector needle lift sensor 36 Fuel shut-off solenoid - circuit malfunction Wiring, fuel shut-off solenoid, ECM 37 Fuel shut-off solenoid - open/short circuit Wiring, fuel shut-off solenoid, ECM 38 Fuel shut-off solenoid - circuit malfunction Wiring, fuel shut-off solenoid, ECM 42 Fuel temperature sensor - circuit malfunction Wiring, fuel temperature sensor, ECM 43 Throttle position (TP) sensor - circuit malfunction Wiring, TP switch, TP sensor 47 Crankshaft position (CKP) sensor - incorrect signal Wiring, CKP sensor 48 Fuel shut-off solenoid - circuit malfunction Wiring, fuel injection pump position sensor, TP switch, ECM 55 No fault found - Editat Octombrie 20, 2010 de sierrafery NU RASPUND USERILOR CU PROFIL INCOMPLET LA MASINA(model, an, motor, transmisie), NU RASPUND PE PM LA PROBLEME TEHNICE SAU DE INTERES GENERAL Discovery Td5 ES , "00. manual, ECU tunat, intercooler marit...merge de rupe Link spre comentariu Distribuie pe alte site-uri Alte opțiuni partajare...
sokatu Postat Octombrie 20, 2010 Autor Partajează Postat Octombrie 20, 2010 Re: NISSAN PATROL GR 2.8 TD 1998 3 USI ( Mufa diagnoza) eu vreau ceva in genu conectez laptopu... si de acolo sa ma joc.( sa vad ce senzor merg, care dau rateuri, etc, etc.) mersi oricum , ramane ca varianta de urgenta. Mersi Hai cu vara. Link spre comentariu Distribuie pe alte site-uri Alte opțiuni partajare...
sokatu Postat Noiembrie 3, 2010 Autor Partajează Postat Noiembrie 3, 2010 Re: NISSAN PATROL GR 2.8 TD 1998 3 USI ( Mufa diagnoza) deci sa inteleg ca nu sa mai lovin nimeni de asa ceva,..... o schema? Link spre comentariu Distribuie pe alte site-uri Alte opțiuni partajare...
giorgel Postat Noiembrie 3, 2010 Partajează Postat Noiembrie 3, 2010 Re: NISSAN PATROL GR 2.8 TD 1998 3 USI ( Mufa diagnoza) ba da, ne-am lovit, si am folosit sarma, lista erorilor si mintea:ha: se pare ca nu e OBD, si cam singurele laptoape sunt Consult-urile din dotarea dealer-ilor Nissan... Cînd te-ai nascut, tu ai plîns, iar altii s-au bucurat. Traieste-ti viata astfel încît, cînd vei muri, toti sa plînga, iar tu sa zîmbesti. Link spre comentariu Distribuie pe alte site-uri Alte opțiuni partajare...
sierrafery Postat Noiembrie 3, 2010 Partajează Postat Noiembrie 3, 2010 Re: NISSAN PATROL GR 2.8 TD 1998 3 USI ( Mufa diagnoza) Vezi ca daca e alta motorizare sau an de fabricatie ar putea fi alta lista de erori.....nu-s sigur NU RASPUND USERILOR CU PROFIL INCOMPLET LA MASINA(model, an, motor, transmisie), NU RASPUND PE PM LA PROBLEME TEHNICE SAU DE INTERES GENERAL Discovery Td5 ES , "00. manual, ECU tunat, intercooler marit...merge de rupe Link spre comentariu Distribuie pe alte site-uri Alte opțiuni partajare...
Vizitator Boier4ever Postat Ianuarie 23, 2011 Partajează Postat Ianuarie 23, 2011 Re: NISSAN PATROL GR 2.8 TD 1998 3 USI ( Mufa diagnoza) Metoda "flas" aratata e cea mai sigura pentru acel model. Chiar daca vei folosi "Consult-ul" sau alt un sistem, codurile sunt acelesi (am incercat), pentru ca atat "stie" controller-ul de motor din generatia aia... n-ai ce-i face! Cat despre "joaca" cu cine stie ce minune de interfata luata de pe net, vezi ca iti poate cauza avarii software sau chiar hardware !!! Am vazut X3 caruia a incercat cineva sa-i activeze functia de recunoastere a vocii (pt kit-ul telefonului) si i-a "fript" definitiv controller-ul de lumini pe sectiunea dreapta fata ... Nu cred c-a meritat incercarea ... Link spre comentariu Distribuie pe alte site-uri Alte opțiuni partajare...
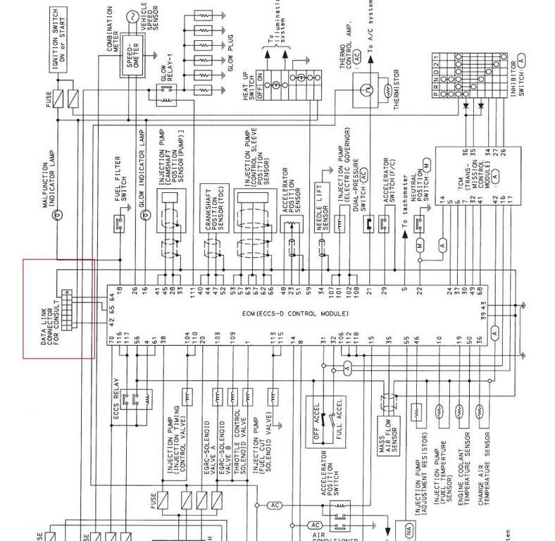
coategoale Postat Iunie 13, 2011 Partajează Postat Iunie 13, 2011 Re: NISSAN PATROL GR 2.8 TD 1998 3 USI ( Mufa diagnoza) atasez o poza cu mufa si conectarea ei la ECU Link spre comentariu Distribuie pe alte site-uri Alte opțiuni partajare...
Postări Recomandate