Sari la conținut
bbh_blocked_dnftl
  • GTC-banner-728.jpg.5cc46ba09a7dd8e0286229917ccf417d.jpg

  • GTC-banner-300.jpg.0de16ddb1a65d423b7281e32d9bd2e76.jpg

Repartitor franare Samurai


RALLYMAN

Postări Recomandate

Masina este un Samurai din 2001 fabricat in Spania, motor Renault 1,9 Diesel 68CP.

Am facut recent o revizie (aproape) completa a puntii spate (rulmenti, simeringuri, colivii simering, bucsi de fixare rulment, saboti franare, cilindri receptori, ulei diferential) ... in timpul acestei revizii s-a constatat ca cilindrii receptori pe spate nu primeau gram de lichid de frana (oricum nu aveam niciun fel de frana pe spate) ... am constatat ca repartitorul era blocat pe inchis, l-am demontat si am scos o garnitura ,,tip umbrela'' din el (care garnitura arata cam paradita, in rest mai erau vreo 3 O-ringuri bune inauntru, interiorul fieroaicei arata ca nou), adica l-am facut ,,pe direct''.

Problema este ca acum am frane prea tari pe spate si la o franare cat de mica masina tinde sa ,,fuga de cur'' si sa se rasuceasca, adica extrem de instabila si periculos de condus ... deci in principiu trebuie refacut repartitorul.2.jpg.74bd8b15c873e3432f7e34fc14b009c6.jpg3.jpg.1edff439a5b50d12ae05f68408671c50.jpg1.jpg.515b52688a606ac68818c36d05a28468.jpg

 

Daca stie cineva daca se gaseste set de reparatie (garnituri) pentru astfel de repartitor, sau sa gasesc unul second-hand, sau poate se potriveste de la alta masina si in ultima instanta codul de piesa pentru unul nou ... desi vad intr-o schema a instalatiei de franare de la Samuraiele mai vechi ca acestea nici nu au repartitor, iar la magazin nu mi-a gasit codul piesei si pretul.

Toyota Hilux Surf 3.0 TD SSR-X Limited 1994

Audi A6 Avant Quattro 2.5TDI 2003

Volkswagen Polo 1.4 TDI 2003

De mic mi-a plăcut volanu / Şi nu am iubit ghiozdanu, / Copiii-nvăţau engleză / Şi eu să bag în viteză

Link spre comentariu
Distribuie pe alte site-uri

Re: Repartitor franare Samurai

 

Daca stie cineva daca se gaseste set de reparatie (garnituri) pentru astfel de repartitor, sau sa gasesc unul second-hand, sau poate se potriveste de la alta masina si in ultima instanta codul de piesa pentru unul nou ... desi vad intr-o schema a instalatiei de franare de la Samuraiele mai vechi ca acestea nici nu au repartitor, iar la magazin nu mi-a gasit codul piesei si pretul.

 

 

toate samuraiele au repartitor spate.

 

set de reparatie, nici o sansa.

 

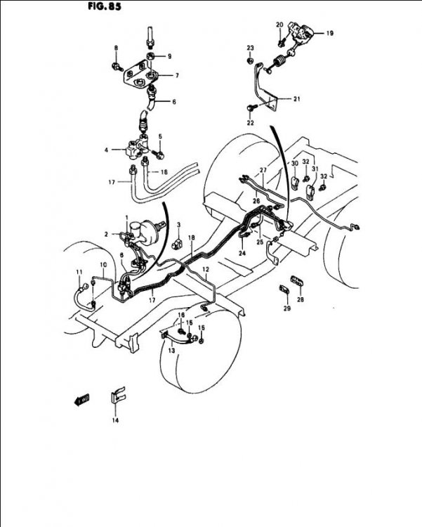
codul repartitorului este: 51930-70AA0 si costa in comertul captalist in jur de 1300lei.

mecanismul de comanda al repartitorului este complet?

51930-70aa0_v1.jpg.f04ef19333409e664101be411bf28023.jpg 51930-70aa0_v2.jpg.9fce3d3893bc554448281b2af80656ba.jpg

 

 

cauta la dezmembrari sau refa instalatia de frana si monteaza un repartitor inertial de la un samurai spaniol .

Editat de minitehnicusro

3x Suzuki Jimny

1x Suzuki Samurai

Dacia DoubleCab 4x4

Link spre comentariu
Distribuie pe alte site-uri

Re: Repartitor franare Samurai

 

sa sti ca si eu am avut acel repartitor pe masina si l-am inlocuit cu un teu tot de samurai de la dezmembrari lasand o singura conducta sa vina din fata,una am anulat-o ,si merg cu masina de 6 luni asa insa cum spui tu cam fuge spatele foarte usor daca este viteza mai mare de 70 km pe ora si franez brusc,eu am schimbat acel repartitor deoarece s-au spart conductele si nu am avut chei necesare sa le pot desface si am inlocuit conductele cu altele nooi de dacie

Link spre comentariu
Distribuie pe alte site-uri

Re: Repartitor franare Samurai

 

Mecanismul de actionare este complet ... desi cred ca ar trebui oarecum ajustat deoarece, cel de la care am luat masina a inaltat-o din arcuri cu vreo 5 cm, ceea ce inseamna ca si puntea e cu 5 cm mai departata de sasiu, deci trebuie o prelungire de 5 cm acolo unde se prinde arcul de punte.

Oricum nu am gasit niciun manual in care sa arate ca Samuraiul are repartitor si cum se regleaza asta ...

Nu stiu cum arata repartitorul inertial si de unde l-as putea gasi la un pret rezonabil, chiar si second-hand, dar functional, si nici nu stiu nici pe ce principiu functioneaza.

Ma mai gandeam la un repartitor reglabil manual care se gaseste pe ebay, are 7 trepte de reglaj, dar in ala inta o conducta si iese o conducta, ori la al meu intra doua conducte si iese o conducta.

Mai iau in calcul sa incerc sa-l desfac din nou si sa-i bag garnitura aia inapoi poate functioneaza ... ca pretul lui este prohibitiv ... o fi varianta din aur ?

Toyota Hilux Surf 3.0 TD SSR-X Limited 1994

Audi A6 Avant Quattro 2.5TDI 2003

Volkswagen Polo 1.4 TDI 2003

De mic mi-a plăcut volanu / Şi nu am iubit ghiozdanu, / Copiii-nvăţau engleză / Şi eu să bag în viteză

Link spre comentariu
Distribuie pe alte site-uri

Re: Repartitor franare Samurai

 

SWSJ4138010850.thumb.jpg.84e81dbf110b7113613e9ed3a3e4e428.jpg

 

@cornel84 ... daca mai ai acel repartitor, identic cu cel din poze, poate-l vinzi daca nu-ti face trebuinta ... piesa numarul 19 din poza ...

Editat de RALLYMAN

Toyota Hilux Surf 3.0 TD SSR-X Limited 1994

Audi A6 Avant Quattro 2.5TDI 2003

Volkswagen Polo 1.4 TDI 2003

De mic mi-a plăcut volanu / Şi nu am iubit ghiozdanu, / Copiii-nvăţau engleză / Şi eu să bag în viteză

Link spre comentariu
Distribuie pe alte site-uri

Re: Repartitor franare Samurai

 

Mecanismul de actionare este complet ... desi cred ca ar trebui oarecum ajustat deoarece, cel de la care am luat masina a inaltat-o din arcuri cu vreo 5 cm, ceea ce inseamna ca si puntea e cu 5 cm mai departata de sasiu, deci trebuie o prelungire de 5 cm acolo unde se prinde arcul de punte.

Oricum nu am gasit niciun manual in care sa arate ca Samuraiul are repartitor si cum se regleaza asta ...

Nu stiu cum arata repartitorul inertial si de unde l-as putea gasi la un pret rezonabil, chiar si second-hand, dar functional, si nici nu stiu nici pe ce principiu functioneaza.

Ma mai gandeam la un repartitor reglabil manual care se gaseste pe ebay, are 7 trepte de reglaj, dar in ala inta o conducta si iese o conducta, ori la al meu intra doua conducte si iese o conducta.

Mai iau in calcul sa incerc sa-l desfac din nou si sa-i bag garnitura aia inapoi poate functioneaza ... ca pretul lui este prohibitiv ... o fi varianta din aur ?

 

 

http://forum.club4x4.ro/showthread.php?78025-Cum-se-aeriseste-corect-instalatia-de-franare-la-samurai/page3

3x Suzuki Jimny

1x Suzuki Samurai

Dacia DoubleCab 4x4

Link spre comentariu
Distribuie pe alte site-uri

×
×
  • Creează nouă...

Informații Importante

Accesul pe Forum Club4x4 este conditionat de respectarea Regulamentului - Termeni de Utilizare