Sari la conținut
bbh_blocked_dnftl
  • GTC-banner-728.jpg.5cc46ba09a7dd8e0286229917ccf417d.jpg

  • GTC-banner-300.jpg.0de16ddb1a65d423b7281e32d9bd2e76.jpg

Ulei in Vasul de expansiune


minion

Postări Recomandate

Buna dimineata,ieri am vrut sa veriific uleiul la joja si apa din vasul de exansiune asta dupa ce nu am mai scos masina de aprox.2 saptamani,si surpriza:in vasul de expansiune am gasit numai ulei,negru si malos precum vaselina,pe joja nici gram de ulei...am pus putin ulei la motor si am mers cu ea la mecanic(max.500 m) si de parca nu a fost de ajuns pe drum pana acolo am evitat o posibila ciocnire cu un alt auto si am lovit cu roata fata dreapta intr-un capat de pod beton:volanul si-a schimbat pozitia iar roata dreapta cand o pun in pozitie dreapta ccea din stanga e putin virata,si la virajull catre dreapta cursa rotii este mult mai mare decat stanga+ca la volan are un moment in care se blocheaza si sare de parca ar scapa de pe o pozitie fixa....

Ma gandesc la garnitura chuloasa si o caseta de directie....ce sfaturi primesc ?

Link spre comentariu
Distribuie pe alte site-uri

Salut. Sfatul e sa verifici mai des lichidele ca ce ai gasit acolo nu s-a intamplat cat a stat masina... acum e nasolie ca poate trebuie si segmentata nu numai schimbata garnitura, vezi ca pt garnitura chiulasa trebuie si suruburi noi, daca mecanicul iti spune altceva cauta altul.

NU RASPUND USERILOR CU PROFIL INCOMPLET LA MASINA(model, an, motor, transmisie), NU RASPUND PE PM LA PROBLEME TEHNICE SAU DE INTERES GENERAL

 

Discovery Td5 ES , "00. manual, ECU tunat, intercooler marit...merge de rupe 🙂

Link spre comentariu
Distribuie pe alte site-uri

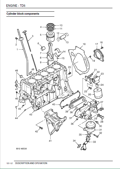
Seara buna tuturor! Td5-ul are un schimbator de caldura intre sistemul de racire si cel de ungere (oil cooler in manual, unii-i mai zic termoflot), localizat intr-un locas in blocul motor sub galeria de evacuare. Acolo as cauta inainte de a ma atinge de chiulasa! E componenta cu nr 39 in imaginea atasata!

233831495_Screenshot(1013).png.ba7699bf15243dbbe5a0458cd4c7e6cf.png

1469241651_Screenshot(1013).png.9df53fbc491860769257a90aa08814f8.png

Link spre comentariu
Distribuie pe alte site-uri

  • 2 săptămâni mai târziu...

Bun,deci zilele trecute am reusit sa rezolv oarecum cu masina(aglomeratie in service),problema a fost la termoflot,asta dupa ce am schmbat si garnitura+prezoane,ceea ce a fost un lucru bun deoarece a fost eva ciupita insa nu la orificiile pt apa,ci la cilindrii,asemenea caseta de directie schimbata.

Acum vreau sa intreb urmatoarele:

-Problema cu caldura-am curatat radiatorul si conductele prin scoaterea apei amestecate cu ulei prin mai multe cicluri de umplere si ultima data am pus un mix de solutie pt curatat si mers putin apoi scoasa si pus apa curata,acum pe live test imi sta undeva la 82-84 C in mers,caldura baga dar nu prea-ma gandesc a poate nu e bine aerisita instalatia :-?

-Dupa montarea casetei de directie mi-a ramas volanul in pozitie ciudata,cum il pot facec sa stea drept(mai mult moft,sau nu...)

Cam atat.O sa incerc sa atasez poze.

Link spre comentariu
Distribuie pe alte site-uri

×
×
  • Creează nouă...

Informații Importante

Accesul pe Forum Club4x4 este conditionat de respectarea Regulamentului - Termeni de Utilizare