Sari la conținut
bbh_blocked_dnftl
  • GTC-banner-728.jpg.5cc46ba09a7dd8e0286229917ccf417d.jpg

  • GTC-banner-300.jpg.0de16ddb1a65d423b7281e32d9bd2e76.jpg

Probleme la bujii


Ploscariu8888888

Postări Recomandate

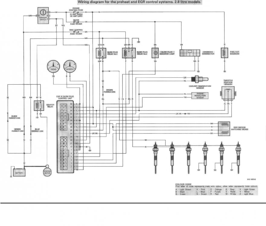
Buna seara! Am o problema la un y60 lung ,am schimbat 3 bujii care la un control arătau ca nu funcționează ,am pus altele noi iar acum după ce pornesc masina la 5 secunde începe sa trepideze apoi moare motorul in plus tensiunea la fiecare bujie e undeva la 10 iar becul din bord de la bujie pâlpâie după pornire încă câteva minute. Înainte sa schimb bujiile nu făcea așa care e cauza? Multumesc!
Link spre comentariu
Distribuie pe alte site-uri

  • 2 săptămâni mai târziu...
LA MULTI ANI ! Tuturor forumistilor 4x4. Vezi cele doua scheme de legare a bujiilor. In prima faza se conecteaza toate a12v si in faza 2 se conecteaza 3 si 3. Verifica releele aferente. Bujiile sa fie acelasi tip- https://www.epiesa.ro/bujii-incandes...subcat-100152/

409111564_Prchauffschma.JPG.3e0e874ae6ed4afa554468b87f725522.thumb.jpg.9494341aebc15dbb54229f186df90305.jpg

527345810_PrchauffeY60toiletriangle.JPG.87a0d4859ec58d3c79040e213a4b703c.jpg.729a4db4057abba6a10bc7c6e2eef46d.jpg

2112505225_Prchauffevoyant.jpg.ed3acf9e7efc6c65b7e684864c00a705.thumb.jpg.91ea9d847aefda3d1881e03ef536d433.jpg

Editat de gamis
Link spre comentariu
Distribuie pe alte site-uri

×
×
  • Creează nouă...

Informații Importante

Accesul pe Forum Club4x4 este conditionat de respectarea Regulamentului - Termeni de Utilizare